產品分類
更多>>視頻播放
更多>>常見問題
更多>>客戶見證
- 維信機械設備有限公司 黃總
我司是做PCB線路板濕制程水平機設備的廠家,從我司開廠以來,一直都是...詳情
- 華通電腦有限公司 劉經理
杰凱磁力泵是根據眾多用戶要求,在磁力泵的基礎上吸取國外新技術,并經公...詳情
- 協和電鍍有限公司 肖總
我們做化學鍍過濾是一種新型的金屬表面處理技術,該技術以其工藝簡便、節...詳情
- 興森快捷科技有限公司 工程部...
我司環保水處理與樓頂廢氣處理泵80%都是用的杰凱的,一直以來運行穩定...詳情
MVK立式過濾機
產品介紹:
1:采用優質 PPH/PVDF 原生材料,提升耐腐蝕能性及結構強度;
2:泵與過濾器一體配套,緊湊,占用空間小,為客戶整線設計釋放空間及降低成本;
3:槽內安裝,可配套濾芯,濾袋,,網板多種方式。適用于噴淋、循環等制程;
4:更換濾芯快捷、省時,拆裝效率比傳統泵高 50%;
5:獨特的報警裝置設計,開蓋更安全。
型號表示方法/Model Representation Method

規格
Spec.
參考過濾量 Capacity (L/min)
濾桶材質
Casing.M
濾芯規格
Cartridges
最高溫度
Max.Temp(℃)
出入口徑Outlet*Inlet (mm)
MVK-1003/2003-1HP
250/280
PPH/PVC
10/20*3
70
40*40
MVK-1003/2003-2HP
300/350
PPH/PVC
10/20*3
70
40*40
MVK-1003/2003-3HP
400/450
PPH/PVC
10/20*3
70
40*50
MVK-1003/2003-5HP
500/550
PPH/PVC
10/20*3
70
40*50
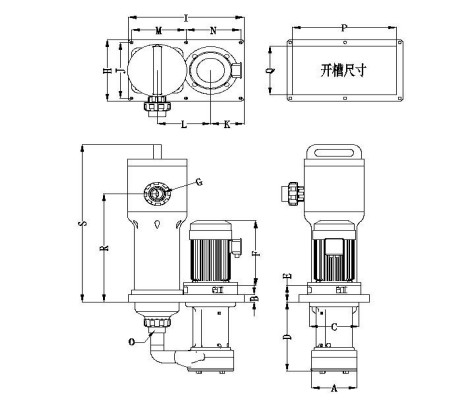
安裝尺寸表/Dimensions(mm)
規格表/Specifications















